This website requires JavaScript.
Explore
Help
Sign In
sek1ro
/
lab
Watch
1
Star
0
Fork
0
You've already forked lab
Code
Issues
Pull Requests
Actions
Packages
Projects
Releases
Wiki
Activity
Files
031beab4250890239cfa4aee47becd9fbbd27d1a
lab
/
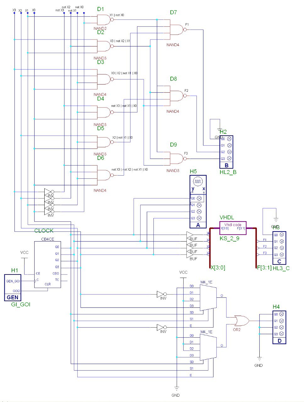
circuit
/
25-1
/
2
/
whole_schema.jpg
SEK1RO
7c438b9216
feat(circuit-2)
2025-09-13 14:58:32 +03:00
125 KiB
967x1280px
Raw
History