Национальный исследовательский ядерный университет «МИФИ»
Институт интеллектуальных кибернетических систем
Кафедра №12 «Компьютерные системы и технологии»
Курсовой проект
"Проектирование процессора"
Студент:
Группа:
Преподаватель:
Литвинов В.А.
Б23-503
Ядыкин И.М.
Москва — 2025/2026

Проектирование блока операций

Примеры и алгоритмы выполнения операций

Алгоритм операции УМНОЖЕНИЕ

Умножение выполняется по алгоритму умножения с младших разрядов множителя и сдвигом суммы частичных произведений вправо с одним корректирующим шагом. Данный алгоритм при представлении сомножителей в прямом коде можно выразить следующей формулой:

$$[A]_{\text{п}} = a_3, a_2 a_1 a_0$$ $$[A]_{\text{п}} \cdot [B]_{\text{п}} = (..((0 + A \cdot b_0) \cdot p^{-1} + A \cdot b_1) \cdot p^{-1} + ... + A \cdot b_{n-1}) \cdot p^{3}$$
Пример 1: $[\mathrm{A}]_\mathrm{п} = 0.111 = 7$ $[\mathrm{B}]_\mathrm{п} = 0.111 = 7$ $\mathrm{Зн} = 0 \oplus 0 = 0$ $[\mathrm{A}*\mathrm{B}]_\mathrm{п} = 0.0110001 = 49$
Пример 2: $[\mathrm{A}]_\mathrm{п} = 0.111 = 7$ $[\mathrm{B}]_\mathrm{п} = 1.101 = -5$ $\mathrm{Зн} = 1 \oplus 0 = 1$ $[\mathrm{A}*\mathrm{B}]_\mathrm{п} = 1.0100011 = -35$

Представим рассмотренный метод умножения в виде схемы алгоритма на рисунке

Блок схема умножения

Проверка бита с установкой его в единицу

Операция проверяет бит в RB по адресу из RA, устанавливает флаг CF, если значение бита в операнде 1, значение бита в операнде устанавливается в 1

Пример 1: $RA = 0000$ $RB = 0001$ $CF = 1$ $RB = 0001$
Пример 2: $RA = 0001$ $RB = 0001$ $CF = 0$ $RB = 0011$
Блок схема проверки бита с установкой в единицу

Функциональная схема блока операций

Функциональная схема блока операций

Функциональная схема блока операций представлена на рисунке , в таблице приведены все элементы функциональной схемы блока операций с их функциями и назначением.

Обозначение блока Назначение
RA Регистр первого операнда, 4 разряда, хранение, параллельная загрузка A
RB Регистр второго операнда, 4 разряда, хранение, параллельная загрузка B, логический сдвиг вправо, формирование сигнала F0
RLO Регистр младшей части результата, 4 разряда, хранение, параллельная загрузка, логический сдвиг вправо, синхронный сброс в 0
RHI Регистр старшей части результата, 4 разряда, хранение, параллельная загрузка, логический сдвиг вправо с переносом в RLO, синхронный сброс в 0
CS1 Формирование знака произведения
CS2 Формирование нового значения B с установленным битом по индексу A
CS3 Формирование флага CF (значения бита из B по индексу A)
SM Сумматор, 4 разряда
TS Регистр знака произведения, 1 разряд, хранение, загрузка
TCF Регистр флага CF (значения бита из B по индексу A), 1 разряд, хранение, загрузка

Проектирование логических элементов блока операций

Регистр первого операнда RA

Данный регистр является четырёхразрядным регистром хранения. Наиболее подходящим для реализации функций регистра RA является регистр FD4CE

Обозначение Назначение
Y0
0 Хранение
1 Параллельная загрузка
Логическая схема RA

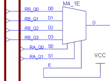
Регистр второго операнда RB

Данный регистр должен выполнять микрооперации хранения, параллельной загрузки и логического сдвига вправо. Для реализации выбран универсальный регистр со сдвигом влево SR4CLE, для получения сдвига вправо входы и выходы подключены в обратном порядке. Младший бит выхода Q0 формирует сигнал F0

Обозначение Назначение
Y1 Y2
0 0 Хранение
1 0 Параллельная загрузка
0 1 Логический сдвиг вправо
Логическая схема RB

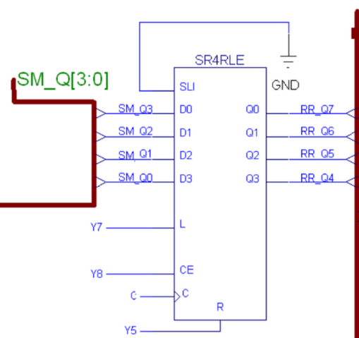
Регистр младшей части результата RLO

Данный регистр должен выполнять микрооперации хранения, параллельной загрузки, логического сдвига вправо (с заполнением старшего бита младшим разрядом из RHI) и синхронного сброса в 0. Для реализации выбран универсальный сдвиговый регистр SR4RLE

Обозначение Назначение
Y5 Y6 Y8
0 0 0 Хранение
0 1 0 Параллельная загрузка
0 0 1 Логический сдвиг вправо
1 0 0 Сброс в 0
Логическая схема RLO

Регистр старшей части результата RHI

Данный регистр должен выполнять микрооперации хранения, параллельной загрузки, логического сдвига вправо (c коммутацией младшего бита в старший разряд RLO) и синхронного сброса в 0. Для реализации выбран универсальный сдвиговый регистр SR4RLE

Обозначение Назначение
Y5 Y7 Y8
0 0 0 Хранение
0 1 0 Параллельная загрузка
0 0 1 Логический сдвиг вправо
1 0 0 Сброс в 0
Логическая схема RHI

Комбинационная схема CS1

Отвечает за формирование знака произведения

Логическая схема CS1

Комбинационная схема CS2

Отвечает за формирование нового значения B с установленным битом по индексу A

Логическая схема CS2

Комбинационная схема CS3

Отвечает за формирование флага CF (бита из B по индексу A)

Логическая схема CS3

Сумматор SM

4-х битный сумматор ADD4

Логическая схема SM

Регистр знака TS

Обозначение Назначение
Y3
0 Хранение
1 Загрузка
Логическая схема TS

Регистр флага TCF

Обозначение Назначение
Y4
0 Хранение
1 Загрузка
Логическая схема TCF

Логическая схема блока операций

Логическая схема блока операций

Микропрограммы выполнения операций

Определение сигналов блока операций

Сигнал Операция
Y0 Загрузка A в RA
Y1 Загрузка B в RB
Y2 Логический сдвиг вправо RB
Y3 Загрузка значения на выходе CS1 в TS
Y4 Загрузка значения на выходе CS3 в TCF
Y5 Синхронный сброс RLO и RHI
Y6 Загрузка значения на выходе CS2 в RLO
Y7 Загрузка значения на выходе SM в RHI
Y8 Логический сдвиг вправо группы регистров RHI и RLO
Сигнал Операция
F0 Младший разряд B

Алгоритм микропрограммы УМНОЖЕНИЕ

В блок-схеме на рисунке под процедурой RR = 0 понимается RLO = 0; RHI = 0, под процедурой RR >> 1 понимается RLO >> 1; RLO[3] = RHI[0]; RHI >> 1

Микропрограмма операции УМНОЖЕНИЕ

Примеры микропрограммы УМНОЖЕНИЕ

Пример 1 микрооперации УМНОЖЕНИЕ приведен в таблице

Временная диаграмма примера 1 УМНОЖЕНИЕ

Пример 2 микрооперации УМНОЖЕНИЕ приведен в таблице

Временная диаграмма примера 2 УМНОЖЕНИЕ

Алгоритм микрооперации УСТАНОВКА БИТА

Микропрограмма операции УСТАНОВКА БИТА

Примеры микрооперации УСТАНОВКА БИТА

Пример 1: $RA = 0000$ $RB = 0001$ $CF = 1$ $RB = 0001$
Пример 2: $RA = 0001$ $RB = 0001$ $CF = 0$ $RB = 0011$
Примеры 1,2 микрооперации установка бита